| MODEL NO |
长 |
宽 |
高 |
KG |
2D |
3D |
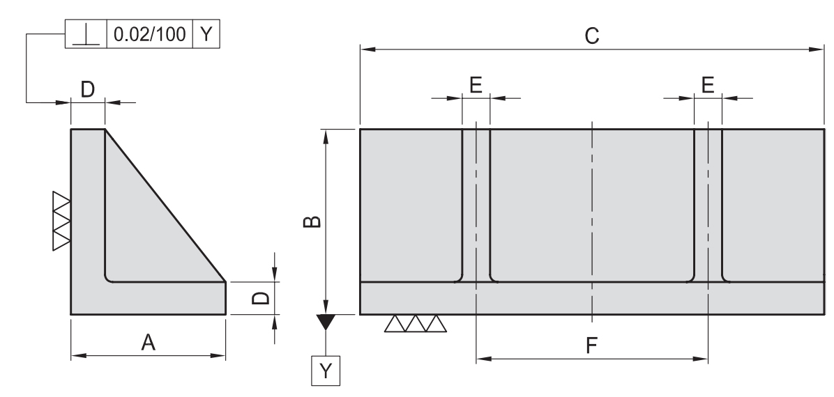
CT-804615
Order number | A | B | C | D | E | F | KG | CT-804615 | 100
| 125 | 150 | 22
| 18 | - | 5.3 |

|
150 |
125 |
100 |
5.3 |
download
|
download
|
CT-804616
Order number | A | B | C | D | E | F | KG | CT-804616 | 100
| 125 | 300 | 22
| 18 | 150 | 11.0 |

|
300 |
125 |
100 |
11.0 |
download
|
download
|
CT-804611
Order number | A | B | C | D | KG | CT-804611 | 100
| 100 | 200 | 20
| 5.2 |

|
100 |
100 |
200 |
5.2 |
download
|
download
|
CT-804612
Order number | A | B | C | D | KG | CT-804612 | 100
| 100 | 400 | 20
| 10.4 |

|
100 |
100 |
400 |
10.4 |
download
|
download
|