产品专区
功能分类
品牌分类
个人中心
下载中心
使用指南
鞍板、鞍座 / 基板、基座
夹持类
支撑类
快换系列
辅助零件
功能性夹具
自动化夹具
浏览所有产品
鞍板、鞍座 / 基板、基座
了解详情 >
孔系鞍板/基板
孔系鞍座/基座/方箱/工装塔
槽系鞍板/基板
槽系鞍座/基座/方箱/工装塔
零点定位鞍板/基板
零点定位鞍座/基座/方箱/工装塔
卧加工作台
治具素材
夹持类
了解详情 >
虎钳
侧向夹持
压板系列
内孔膨胀夹紧
支撑类
了解详情 >
垫块
千斤顶
基准块
快换系列
了解详情 >
零点定位系统
高精度模块化快换系统
MST快换系统
单定位板
辅助零件
了解详情 >
动向钢珠系列
其他零件
功能性夹具
了解详情 >
防上浮
链条式夹具
重力压紧
自动化夹具
了解详情 >
气动虎钳
MC模组化夹具系列
SINCO-高精度模块化快换系统
零点定位系统系列
MST快速换装μ级夹具系统
INNGRIT-单定位板零点定位系统
JERGENS-工装夹具系列
OK-VISE精巧夹钳系列
MITEE-BITE米提百夹具系列
KOPAL防上浮夹具系列
欧权-滚齿凸轮数控转台
BLUM高速工件测量
浏览所有产品
MC模组化夹具系列
了解详情 >
鞍板鞍座类
弹性化并列式虎钳系列
支持类
夹持类
辅助零件类
治具素材类
其他类
高强度铝合金鞍座类
自定心虎钳
SINCO-高精度模块化快换系统
了解详情 >
零点定位系统系列
了解详情 >
ZPCS-零点定位系统
ZERO CLAMP-零点定位系统
MST快速换装μ级夹具系统
了解详情 >
INNGRIT-单定位板零点定位系统
了解详情 >
INNGRIT-单定位板零点定位系统
JERGENS-工装夹具系列
了解详情 >
零点定位系统
Ball Lock™球锁快速装夹系统
OK-VISE精巧夹钳系列
了解详情 >
OK-VISE高品质精巧型夹钳
MITEE-BITE米提百夹具系列
了解详情 >
MITEE-BITE米提百夹具单元
KOPAL防上浮夹具系列
了解详情 >
KOPAL 迷你型夹具
链条式夹具
欧权-滚齿凸轮数控转台
了解详情 >
BLUM高速工件测量
了解详情 >
BLUM高速工件测量
功能分类
品牌分类
服务与支持
产品目录
目录勘误表
应用案例
FAQ
下载
电子目录下载
相关说明下载
使用指南
基础操作指南
场景化操作示例
常见故障排查
新闻资讯
公司新闻
展会资讯
行业动态
关于我们
公司简介
联系方式
搜索产品
Language
中文
En
0
Menu
搜索更多信息
产品型号
其他
搜索
搜索
首页
产品专区
功能分类
品牌分类
服务与支持
产品目录
目录勘误表
应用案例
FAQ
下载
电子目录下载
相关说明下载
使用指南
基础操作指南
场景化操作示例
常见故障排查
新闻资讯
公司新闻
展会资讯
行业动态
关于我们
公司简介
联系方式
中文
En
立即咨询
首页
>
产品专区
>
品牌分类
>
INNGRIT-单定位板零点定位系统
>
INNGRIT-单定位板零点定位系统
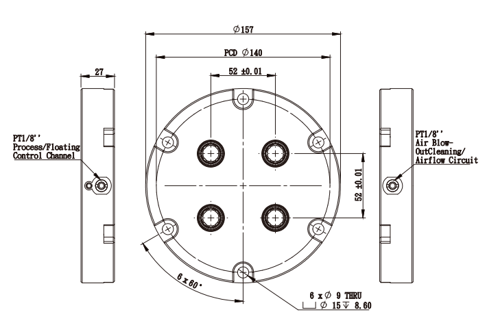
英贵尔 INN02643 52单定位板(4穴Pitch52)圆(AIR)零点定位
INNGRIT 52 ROUND PLATE
PDF下载
立即咨询
产品规格
产品概述
产品咨询
产品规格
MODEL NO
长
宽
高
KG
2D
3D
INN02643
INN02643
加入购物车
2D下载
3D下载
157
157
27
3.30kg
download
download
产品概述
产品咨询
选择需要咨询的产品
鞍板、鞍座 / 基板、基座
夹持类
MC模组化夹具系列
SINCO-高精度模块化快换系统
零点定位系统系列
MST快速换装μ级夹具系统
INNGRIT-单定位板零点定位系统
JERGENS-工装夹具系列
OK-VISE精巧夹钳系列
MITEE-BITE米提百夹具系列
KOPAL防上浮夹具系列
欧权-滚齿凸轮数控转台
BLUM高速工件测量
支撑类
快换系列
辅助零件
功能性夹具
自动化夹具
Base Plate、 Tooling Column
Clamping Type
MC Modular jigs & Fixtures
SINCO- High-precision modular quick-change system
Zero point clamping system
MST quick-change μ -level fixture system
INNGRIT- Single-positioning plate zero-point positioning system
JERGENS - Tooling fixture series
OK-VISE Compact Clamp series
Mitee-Bite Series
KOPAL
Auto cam-CNC rotary table
BLUM high-speed workpiece measurement
Supporting Type
Quick-Change Series
Aux parts
Functional fixture
Automated fixture
立即提交
功能分类
品牌分类
鞍板、鞍座 / 基板、基座
孔系鞍板/基板
孔系鞍座/基座/方箱/工装塔
槽系鞍板/基板
槽系鞍座/基座/方箱/工装塔
零点定位鞍板/基板
零点定位鞍座/基座/方箱/工装...
卧加工作台
治具素材
夹持类
虎钳
侧向夹持
压板系列
内孔膨胀夹紧
支撑类
垫块
千斤顶
基准块
快换系列
零点定位系统
高精度模块化快换系统
MST快换系统
单定位板
辅助零件
动向钢珠系列
其他零件
功能性夹具
防上浮
链条式夹具
重力压紧
自动化夹具
气动虎钳
MC模组化夹具系列
鞍板鞍座类
弹性化并列式虎钳系列
支持类
夹持类
辅助零件类
治具素材类
其他类
高强度铝合金鞍座类
自定心虎钳
SINCO-高精度模块化快换系...
零点定位系统系列
ZPCS-零点定位系统
ZERO CLAMP-零点定位...
MST快速换装μ级夹具系统
INNGRIT-单定位板零点定...
INNGRIT-单定位板零点定...
JERGENS-工装夹具系列
零点定位系统
Ball Lock™球锁快速装...
OK-VISE精巧夹钳系列
OK-VISE高品质精巧型夹钳
MITEE-BITE米提百夹具...
MITEE-BITE米提百夹具...
KOPAL防上浮夹具系列
KOPAL 迷你型夹具
链条式夹具
欧权-滚齿凸轮数控转台
BLUM高速工件测量
BLUM高速工件测量