产品规格
| MODEL NO | 长 | 宽 | 高 | KG | 2D | 3D |
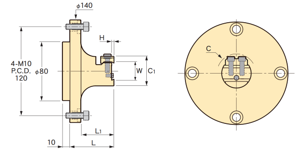
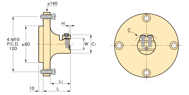
| F140 S80-DOC 17.5-60 | 4-M10 P.C.D. 120 | 80 | 70 | 2.5 |
download
|
download
|
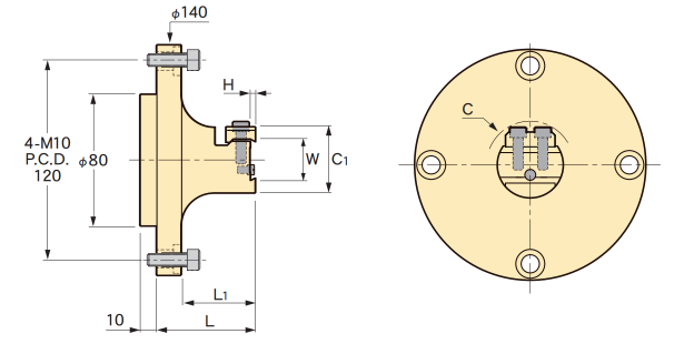
| F140 S80-DOC 25 -60 | 4-M10 P.C.D. 120 | 80 | 70 | 2.6 |
download
|
download
|
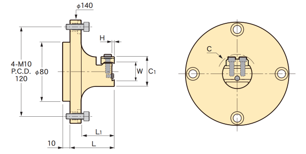
| F140 S80-DOC 35 -55 | 4-M10 P.C.D. 120 | 80 | 65 | 2.8 |
download
|
download
|
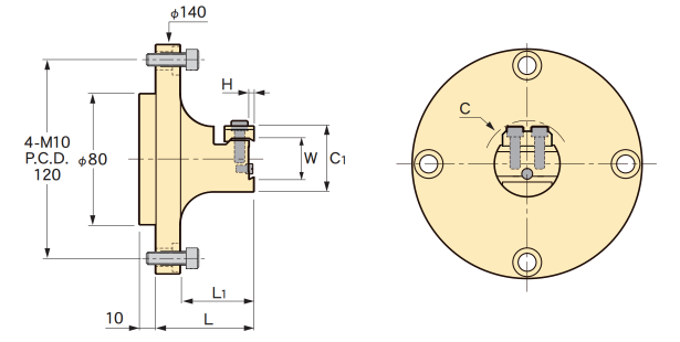
| F140 S80-DOC 50 -55 | 4-M10 P.C.D. 120 | 80 | 65 | 3.4 |
download
|
download
|
| F140 S80-DOC 70 -55 | 4-M10 P.C.D. 120 | 80 | 65 | 4.7 |
download
|
download
|
| F140 S80-DOC100 -55 | 4-M10 P.C.D. 120 | 80 | 65 | 5.5 |
download
|
download
|
产品概述

产品咨询




